提供專業控制閥解決方案! 銷售熱線:021-5186 3046
上海川滬閥門有限公司
ShangHai Chuanhu Valve CO.,LTD
我們做的不僅是產品還是解決方案
川滬閥門品牌:電動球閥、電動蝶閥、氣動球閥、氣動蝶閥、電動調節閥、氣動調節閥
自力式調節閥、快速切斷閥、低溫閥門、耐腐蝕閥門、衛生級閥門、截止閥、閘閥
電動執行器、氣動執行器
PSL電動執行器
一、PSL電動執行器 產品概述
上海川滬閥門有限公司的PSL電動執行器具有體積小、重量輕、功能強、智能操作器內裝、操作方便等特點。PSL系列直行程電動執行器大行程達到100mm,大推力可達到25KN,適合于直線動作的閥門開關或調節控制。
二、PSL電動執行器 產品圖片
![]() |
| PSL電動執行器 |
三、PSL電動執行器 產品特點
1.一體化結構設計,位置變送器和伺服放大器做為兩個獨立部件均可直接裝入執行機構內部,直接接受4-20mA控制信號,輸出4-20mA或1-5VDC閥位反饋信號,具有自診斷功能,使用和調校十分方便。
2。功能模塊式結構設計,通過不同可選功能的組合,實現從簡單到復雜的控制,滿足不同應用要求。
3。結構簡單,體積小巧,重量輕,便于安裝和維護,機械零件全部采用CNC加工制作,工藝精湛。
4。傳動全部采用小齒隙密封齒輪,具有效率高、噪聲低、壽命長、穩定可靠、無需加油,多種運行速度,可滿足各種控制系統的要求,以保證系統的快速響應及穩定性。
5。同閥門的連接采用柔性盤簧連接,可避免閥桿與輸出軸不同軸給閥門帶來的影響,可預置閥門關斷力保證閥門的可靠關斷,防止泄漏。行程可調,便于與閥門連接。
6.驅動電機采用高性能稀土磁性材料制作的高速同步電機,運行平穩。具有體積小、力矩大、抗堵轉、控制精度高等特點。
7。可設置分段調節,即由一臺調節器輸出的雙時間比例信號控制兩臺執行機構(4-12mA對應PSL1的全開或全閉,12-20mA對應PSL2的全開或全閉)。
8。閥位反饋元件采用全密封高精度多圈電位器,具有體積小、精度高、死區小、使用壽命長等特點。全部電器元件均采用世界名牌產品,質量可靠。電器部件布線嚴謹并與傳動部件完全隔離,提高了執行機構運行性的可靠。
四、PSL電動執行器 產品結構
PSL直行程執行機構主要是由相互隔離的電器控制部分和齒輪傳動部分組成。電機作為連接兩隔離部分的中間部件,電機按控制要求輸出轉矩,通過多極正齒輪傳遞到梯形絲桿上,絲桿通過桿螺紋變換轉矩為推力。此桿螺紋能自鎖,并且將直線行程通過與閥門的適配器傳遞到閥桿。執行機構出軸帶有一個防止轉動的止轉銷,出軸的徑向鎖定裝置可以作為位置指示器。鎖定裝置連有一個連桿,連桿隨輸出軸同步運行,通過與連桿連接的線路板將輸出軸位移轉換成電信號,提供給伺服放大器做為比較信號和閥位反饋輸出,同時執行機構的行程也可由開關板上的兩個主限位開關來限制,并由兩個機械限位檔塊來調整限定位置。
五、PSL電動執行器 選型參數
| 標準 型號 | 推力 (KN) | 速度 (mm/s) | 大 行程 (mm) | 電源(v) | 功耗(w) | 電機保護 | 出線連接 | 手動 操作 | 防護 等級 | 重量 (kg) |
|---|---|---|---|---|---|---|---|---|---|---|
| PSL201 | 1.0 | 0.4/1.2 | 50 | 220VAC | 35 | 允許堵轉 | 2×M20×1 | 手輪 | IP67 | 5.5 |
| PSL202 | 2.0 | 0.4/1.2 | 50 | 220VAC | 40 | 允許堵轉 | 2×M20×1 | 手輪 | IP67 | 5.8 |
| PSL204 | 4.0 | 0.4/1.2 | 50 | 220VAC | 45 | 允許堵轉 | 2×M20×1 | 手輪 | IP67 | 6.0 |
| PSL208 | 8.0 | 1.0 | 60 | 220VAC | 80 | 允許堵轉 | 2×M20×1 | 手輪 | IP67 | 8.0 |
| PSL210 | 10.0 | 1.0 | 60 | 220VAC | 80 | 允許堵轉 | 2×M20×1 | 手輪 | IP67 | 8.2 |
| PSL312 | 12.0 | 1.0 | 65 | 220VAC | 130 | 熱敏開關 | 3×M20×1 | 手輪 | IP65 | 22.0 |
| PSL314 | 14.0 | 1.0 | 65 | 220VAC | 130 | 熱敏開關 | 3×M20×1 | 手輪 | IP65 | 22.0 |
| PSL316 | 16.0 | 1.0 | 100 | 220VAC | 135 | 熱敏開關 | 3×M20×1 | 手輪 | IP65 | 22.0 |
| PSL320 | 20.0 | 1.0 | 100 | 220VAC | 140 | 熱敏開關 | 3×M20×1 | 手輪 | IP65 | 23.0 |
| PSL325 | 25.0 | 1.0 | 100 | 220VAC | 140 | 熱敏開關 | 3×M20×1 | 手輪 | IP65 | 23.0 |
六、PSL電動執行器 工作原理
位置信號變換電路將反映執行機構位置的1000歐三線滑線電阻信號的變化情況轉為4-20mA。控制輸入與位置信號同時送到偏差放大器進行比較,比較結果控制固態開關的通斷,實現對執行機構的開或關控制。根據控制要求調整靈敏度,可以改變跟蹤精度和消除因機械慣性可能產生的振蕩。
七、PSL電動執行器 選型參數
| 電源電壓 | AC220V 50Hz |
|---|---|
| 功 耗 | 5VA |
| 開關容量 | 150VA(24V 50VA) |
| 輸入信號 | 4-20mA或1-5V |
| 輸入阻抗 | 250Ω或500Ω |
| 輸出信號 | 4-20mA時≤650Ω |
| 絕緣電阻 | 主電路一控制電路:100MΩ(500VDC);控制電路一輸出電路:100MΩ(500VDC);輸出電路一主電路:100MΩ(500VDC |
| 重復精度 | ±1% |
| 靈敏度 | ±(0.5-5%)F.S |
| 滯后 | 50%靈敏度 |
| 環境溫度 | -20℃~+70℃ |
| 儲存溫度 | -30℃~+50℃ |
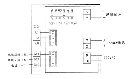
八、PSL電動執行器 接線
開關動作模式
輸入:電機正轉,反轉相線:及中線;輸出:4-20mA反饋信號;(打開機殼即可看見如圖示意,執行機構外殼內有端子條用于電氣接線,選擇適當的電源線與執行機構相連,建議使用Φ1.0(mm)導線)
![]() |
| PSL電動執行器開關型接線圖 |
調節動作模
輸入:4~20mA、1~5V;輸出:4-20mA反饋信號;(打開機殼即可看見如圖示意,執行機構外殼內有端子條用于電氣接線,選擇適當的電源線與執行機構相連,建議使用Φ1.0(mm)導線
![]() |
| PSL電動執行器調節型接線圖 |
注:由于產品改進技術創新參數可能有一定變化,公司不另行通知,請咨詢公司技術部門索取新數據。
相關產品推薦
| CH電動執行器 | CHV電動執行器 | HQ防爆電動執行器 | AHQ防爆智能型執行器 |
| 341開關型電動執行器 | 381調節型電動執行器 | 382數顯智能電動執行器 | PSL電動執行器 |
下載:上海川滬閥門有限公司-產品樣本-PSL電動執行器.PDF
PSL電動執行器鏈接:http://m.ansite.net.cn/products/diandongzhixingqi/psl.html



