提供專業控制閥解決方案! 銷售熱線:021-5186 3046
上海川滬閥門有限公司
ShangHai Chuanhu Valve CO.,LTD
我們做的不僅是產品還是解決方案
川滬閥門品牌:電動球閥、電動蝶閥、氣動球閥、氣動蝶閥、電動調節閥、氣動調節閥
自力式調節閥、快速切斷閥、低溫閥門、耐腐蝕閥門、衛生級閥門、截止閥、閘閥
電動執行器、氣動執行器
新聞資訊/NEWS
工業管道選型所有知識都在這里了
石油化工裝置中使用的管道器材,一般包括管子、管件、閥門、法蘭、墊片和緊固件以及其他管道組成件,例如過濾器、分離器、阻火器、補償器等。
一、管子

管子分類方法很多,按材質分類可分為金屬管、非金屬管和鋼襯非金屬復合管。非金屬管主要有橡膠管、塑料管、石棉水泥管、石墨管、玻璃鋼管等,非金屬管的使用同金屬管相比所占比例較小,而金屬管在大多數石油化工裝置中要占到全部工藝管道安裝工程的百分之八十五以上,本節重點介紹金屬管材。
有關金屬管材分類,見下表

(一) 焊接鋼管
焊接鋼管,也稱有縫鋼管,一般由鋼板或鋼帶卷焊而成。按管材的表面處理形式分為鍍鋅和不鍍鋅兩種。表面鍍鋅的發白色,又稱為白鐵管或鍍鋅鋼管;表面不鍍鋅的即普通焊接鋼管,也稱為黑鐵管。鍍鋅焊接鋼管,常用于輸送介質要求比較潔凈的管道,如生活用水、凈化空氣、儀表空氣等;不鍍鋅的焊接鋼管,可用于輸送蒸汽、煤氣、壓縮空氣和冷凝水等。
根據用戶要求,焊接鋼管在出廠時可分兩種,一種是管端帶螺紋的,另一種是管端不帶螺紋的。管端帶螺紋的焊接鋼管,每根管材長度為4~9m,不帶螺紋的焊接鋼管,每根管材長度為4~12m。
焊接鋼管按管壁厚度不同,分為薄壁鋼管、加厚鋼管和普通鋼管。工藝管道上用量多的是普通鋼管,其試驗壓力為2.0MPa。加厚鋼管的試驗壓力為3.0MPa。
焊接鋼管的聯接方法較多,有螺紋聯接、法蘭聯接和焊接。法蘭聯接中又分螺紋法蘭聯接和焊接法蘭聯接,焊接方法中又分為氣焊和電弧焊。
常用焊接鋼管的規格范圍為公稱直徑6~150mm。
(二) 無縫鋼管
無縫鋼管,是工業管道中用量大,品種規格多的管材,基本上分為流體輸送用無縫鋼管和帶有專用性的無縫鋼管兩大類,前者是工藝管道常用的鋼管,后者如鍋爐專用鋼管、裂化爐管和熱交換器用鋼管等。按材質可分為碳素無縫鋼管、鉻鉬無縫鋼管和不銹、耐酸無縫鋼管。按公稱壓力可分為低壓(0≤1.0MPa)、中壓(1.0<10MPa=、高壓(≥10MPa)三類。工藝管道常用的是流體輸送用無縫鋼管。
1.碳素無縫鋼管,常用的制造材質為10號、20號、16Mn鋼,其規格范圍為:熱軋外徑φ32~630mm,冷拔外徑φ6~200mm,單根管長度4~12m,容許操作溫度為-40~450℃,廣泛用于輸送各種對鋼無腐蝕性的介質,如輸送蒸汽、氧氣、壓縮空氣、油品和油氣等。
2.低合金鋼無縫鋼管,系指含一定比例合金元素的合金鋼管。通常分為兩種,一種是含有錳元素的低合金鋼管,稱為普通低合金鋼管,如16Mn、15MnV等;另一種是含有鉻、鉬等元素的低合金鋼管,稱鉻鉬鋼管。常用的有12CrMo、15CrMo、12Cr2Mo、1Cr5Mo等,其規格范圍為外徑φ10~φ273mm,單根管長度4~12m,鉻鉬鋼管適用溫度范圍為-40~550℃。低合金無縫鋼管,多用于輸送各種溫度較高的油品、油氣和腐蝕性不強的鹽水、低濃度有機酸等。
3.不銹耐酸無縫鋼管,根據鉻、鎳、鈦各種金屬的不同含量,品種很多,有Cr13、00Cr17Ni14Mo2、1Cr18Ni12Mo2Ti、1Cr18Ni9Ti等。這些鋼號中用量多的是1Cr18Ni9Ti,在施工圖上常用簡化材質代號18-8來表示,適用溫度范圍為-196~700℃,在化工生產中用來輸送各種腐蝕性較強的介質,如硝酸、醋酸和尿素等。
4.高壓無縫鋼管,其制造材質與上述無縫鋼管基本相同,只是管壁比中低壓無縫鋼管厚,厚的管壁達40mm。如化肥設備用高壓無縫鋼管規格為φ14×4(mm)~273×40(mm),單根管長度4~12m,適用壓力范圍10~32MPa,工作溫度-40~400℃。在石油化工裝置中用以上高壓無縫鋼管輸送原料氣、氫氮氣、合成氣、水蒸氣、高壓冷凝水等介質。
除上述外,還有低溫鋼管,在引進工程項目的冷區用量較多,其材料牌號為STPL-39、STPL-46,工作溫度可達-105℃,適用于輸送各種無腐蝕性低溫介質管道,目前國內還沒有批量生產與這種標準相應的鋼管。低溫鋼管分為無縫鋼管和有縫鋼管兩種,無縫低溫鋼管公稱直徑為15~400mm,壁厚同碳鋼管;有縫低溫鋼管公稱直徑為400~1100mm,壁厚為6~10mm,單根管標準長度6m。
(三) 鋼板卷板管
鋼板卷板管,是由鋼板卷制焊接而成,分為直縫卷焊鋼管和螺旋縫卷焊鋼管兩種。
直縫卷焊鋼管多數在施工現場制造或委托加工廠制造,專業鋼管廠不生產。鋼板材料有Q235A、10號、20號、16Mn、20g等,其規格范圍為公稱直徑200~3000mm,大的有4000mm,壁厚一般為4~16mm。公稱直徑200~900mm的單根管長度為6.4m;公稱直徑1000~3000mm的為4.8m。適用工作溫度:Q235A為-15~300℃,10號、20號、16Mn、20g為-40~450℃,均適用于低壓范圍。
螺旋縫卷焊鋼管,由鋼管制造廠生產,材質有Q235A,16Mn。其規格范圍為公稱直徑200~700mm,壁厚7~10mm,單根管長度8~18m。適用工作溫度:Q235A為-15~300℃,16Mn為-40~450℃,操作壓力:Q235A為2.5MPa,16Mn為4MPa。
直縫卷焊鋼管和螺旋縫卷焊鋼管,多用于輸送常溫低壓腐蝕性不強的介質,如低壓蒸汽、地下循環水、煤氣和油氣等。螺旋縫卷焊鋼管單根管較長,特別適用于長距離輸送管道。
根據工程所需,還有直縫不銹鋼板卷焊管,都是在施工現場卷制,制造廠不生產。所用材質多為1Cr18Ni9Ti鋼板。其規格范圍公稱直徑為200~1000mm,公稱直徑200~400mm的壁厚為4mm,公稱直徑700~1000mm的壁厚為6~8mm,單根管長度為4.5m。適用溫度和輸送的介質范圍同低壓不銹鋼管。
(四) 銅管
銅管分紫銅管和黃銅管兩種。制造紫銅管所用的材料牌號有T2、T3、T4和TUP等,含銅量較高,占99.7%以上;黃銅管的制造材料牌號有H62,H68等,都是鋅和銅的合金,如H62黃銅管,其材料成份銅為60.5%~63.5%,鋅為39.6%,其他雜質小于0.5%。
銅管的制造方法分為拉制和擠制兩種。拉制銅管外徑為φ3~φ200mm,擠制銅管外徑為φ32~φ280mm,壁厚1.5~5mm;銅板卷焊銅管的規格范圍為外徑φ155~φ505mm,供貨方式有單根的和成盤的兩種。
銅管的適用工作溫度在250℃以下,多用于油管道、保溫伴管和空分氧氣管道。
(五) 鈦管
鈦管是近年來新出現的一種管材,由于它具有重量輕、強度高、耐腐蝕性強和耐低溫等特點,常被用于其他管材無法勝任的工藝部位。鈦管是用TA1、TA2工業純鈦制造,適用溫度范圍為-140~250℃,當溫度超過250℃時,其機械性能下降。常用鈦管的規格范圍為公稱直徑20~400mm。適用于低中壓,低壓管壁厚2.8~12.7mm,中壓管壁厚3.7~21.4mm。鈦管雖然具有很多優點,但因價格昂貴,焊接難度較大,尚未被廣泛采用。

在管系中改變走向、標高或改變管徑以及由主管上引出支管等均需用管件。由于管系形狀各異、簡繁不等,因此,管件的種類較多。常用的管件有彎頭、三通、異徑管、管接頭、管帽等。
管件按用途分類

(一) 彎頭
彎頭是用來改變管道的走向。常用彎頭的彎曲角度為90°、45°和180°,180°彎頭也稱為U型彎管,也有特殊角度的彎頭,但為數極少。
1.瑪鋼彎頭
瑪鋼彎頭,也稱可鍛鑄鐵彎頭,是常見的螺紋彎頭。這種瑪鋼管件,主要用于采暖,上下水管道和煤氣管道上。在工藝過程中,除需要經常拆卸的低壓管道外,其他物料管道上很少使用。瑪鋼彎頭的規格比較小,常用的規格范圍為1/2~4英寸,按其不同的表面處理分鍍鋅和不鍍鋅兩種。
2.壓制彎頭
壓制彎頭,也稱沖壓彎頭或無縫彎頭,是用優質碳素鋼、不銹耐酸鋼和低合金鋼無縫管等,在特制的模具內壓制成型的。其彎曲半徑為公稱直徑的一倍半(R=1.5DN),在特殊場合下也可采用彎曲半徑等于公稱直徑的彎頭(R=1DN)。其規格范圍在DN20~600mm以內。其壁厚范圍與無縫鋼管的表號一致。壓制彎頭一般由專業制造廠或加工廠用標準無縫鋼管沖壓加工而成,出廠時彎頭兩端應加工好坡口。
3.沖壓焊接彎頭
沖壓焊接彎頭,是采用板材經模具沖壓成半塊環形彎頭,然后將兩塊半環彎頭進行組對焊接成型。其彎曲半徑同無縫管彎頭,規格范圍為公稱直徑200mm以上。
4.焊接彎頭
焊接彎頭,也稱蝦米腰或蝦體彎頭。制作方法有兩種,一種是在加工廠用鋼板下料,切割后卷制焊接成型,多數用于鋼板卷管的配套。另一種是用管材下料,經組對焊接成型,其規格一般在200mm以上。使用溫度不能大于200℃,一般可在施工現場制作。
5.高壓彎頭
高壓彎頭,是采用優質碳素鋼或低合金鋼鍛造而成。根據管道連接形式,彎頭兩端加工成螺紋或坡口,加工的精密度很高,要求管口螺紋與法蘭口螺紋能緊密配套自由擰入并不得松動,適用于壓力22.0、32.0MPa的石油化工管道,常用規格范圍為DN6~200mm。
(二) 三通
三通是主管道與分支管道相連接的管件,根據制造材質和用途的不同,劃分為很多種。從規格上劃分,可分為同徑三通和異徑三通,同徑三通也稱為等徑三通;同徑三通是指分支接管的管徑與主管的管徑相同;異徑三通是指分支接管的管徑小于主管的管徑,所以也稱為不等徑三通,異徑三通用量要多一些。
1.瑪鋼三通
瑪鋼三通的制造材質和規格范圍,與瑪鋼彎頭相同,在石油化工工藝管道中用量不多,主要用于室內采暖、上下水和煤氣管道。
2.鋼制三通
20世紀七十年代以前,我國工業生產技術發展的速度比較緩慢,工藝管道方面的工程技術也比較落后。在各種中低壓鋼管的設計中,管道需要使用三通管件時,一般都是采用挖眼接管的辦法來解決,即在需要接支管的主管上,按支管的直徑先挖出一個孔,再將支管焊上。這種辦法有很多缺點,焊接質量不易保證,焊接后管道容易變形,主管內容易進入雜質。七十年代后期,隨著冶金、石油化工等大型現代化生產裝置的引進,促進了工藝管道工程技術的發展,目前,我國已能生產中低壓管道鋼制定型三通,已形成系列產品,無縫三通規格為DN20~600mm,鋼板焊制三通規格為DN150~1500mm。
定型三通的制作,是以優質管材為原料,經過下料、挖眼,加熱后用模具拔制而成,再經機加工,成為定型成品三通。中低壓鋼制成品三通,在現場安裝時都是采用焊接。鋼板卷管所用的三通,有兩種情況,一種是在加工廠用鋼板下料,經過卷制焊接而成;另一種是在安裝現場挖眼接管。
3.高壓三通
高壓三通,常用的有兩種,一種是焊制高壓三通,一種是整體鍛造高壓三通。
焊制高壓三通,選用優質高壓鋼管為材料,制造方法類似挖眼接管,主管上所開的孔,要與相接的支管管徑相一致。焊接質量要求嚴格,通常要求焊前進行預熱,焊后進行熱處理。其規格范圍為DN16~200mm,壓力22MPa、32MPa。
整體鍛造高壓三通,一般是采用螺紋法蘭連接。其規格范圍為表號SCH160、DN15~600mm,表號外加有“XXS”,其管徑范圍DN15~300mm。
(三) 異徑管
異徑管的作用是使管道變徑,從流體運動方向來看,多數是由大變小,也有的由小變大,如蒸汽回水管道和下水管道的異徑管就是由小變大。異徑管俗稱大小頭。
1.瑪鋼異徑管
瑪鋼異徑管,大體上分兩種,一種是內螺紋異徑管也稱外接頭;另一種是內螺紋和外螺紋結合的管件,稱作補芯,它雖然不叫做異徑管,但起到異徑管的作用。
2.鋼制異徑管
鋼制異徑管,分為無縫和有縫兩種,無縫異徑管用無縫鋼管壓制,有縫異徑管用鋼板下料,經卷制焊接而成,也稱為焊制異徑管。這兩種異徑管都有同心和偏心兩種規格。偏心異徑管的底部有一個直邊,使用時能使管底成一個水平面,便于停產檢修時排放管中物料。
無縫異徑管的規格范圍為DN25~600mm,有縫焊接異徑管的規格范圍為DN200~1500mm。
鋼制異徑管,作為管道上的成品管件,是七十年代以后才開始有的,早期工藝管道上的變徑,大部分是在現場制作。管徑變化很大的是在管端抽條焊接,直接加工成異徑管;管徑變化不大的在管端加熱直接摔制而成。抽條焊接制作異徑管,花費人工多,焊縫多,焊接質量不易保證,目前,焊接質量要求很高的工藝管道已禁止采用此種辦法。
(四) 其他管件
1.封頭
封頭,是用于管端起封閉作用的堵頭。常用的封頭有橢圓形和平蓋形兩種。
橢圓形封頭也稱為管帽,其規格范圍為DN25~600mm,多用于中低壓管道上。平蓋封頭,按其安裝位置分為兩種,一種是平蓋封頭略大于管外徑,在管外焊接。另一種是平蓋封頭略小于管內徑,把封頭板放入管內焊接。常用的規格范圍為DN15~200mm,這種封頭多用于壓力較低的管道上。
2.凸臺
凸臺,也稱管嘴,是自控儀表專業在工藝管道上的一次部件,是由工藝管道專業來安裝,所以把凸臺也列為管件。工藝管道用的單面管接頭也屬這一種,都是一端焊在主管上,另一端或者是安裝其它部件,或者是另外再接管,其規格范圍為DN15~200mm,高中低壓管道都使用。
3.盲板
盲板,其作用是把管道內介質切斷,根據使用壓力和法蘭密封面的形式分以下幾種:
(1) 光滑面盲板,與光滑密封面法蘭配合使用,其適用壓力范圍為1.0~2.5MPa。
(2) 凸面盲板,其本身一面帶凸面,另一面帶凹面,與凹凸密封面法蘭配合使用。使用壓力4.0MPa,規格范圍為DN25~400mm。
(3) 梯形槽面盲板,與梯形槽密封面法蘭配合使用,使用壓力范圍為6.4~16.0MPa。規格范圍為DN25~300mm。
(4)“8”字盲板,也分為光滑面,凹凸面和梯形槽面三種,使用壓力與以上三種盲板相同,“8”字盲板所不同的是,它把兩種用途結合在一個部件上,即把盲板和墊圈相連接固定在一起。法蘭內墊入盲板時,外面露出的墊圈作為管道是否切斷的直觀標志。
“8”字盲板的制造材料有多種,根據輸送的介質溫度和壓力來選擇。一般低壓管道,溫度不超過450℃時,所用的材質有Q235A、20號鋼和25號鋼;溫度在450~550℃時,所用的材料有15CrMo、1Cr5Mo。當壓力在4.0~16.0MPa,溫度大于550℃時,要用不銹鋼。
三、法蘭、墊片及螺栓

(一) 法蘭
法蘭是工藝管道上起連接作用的一種部件。這種連接形式的應用范圍非常廣泛,如管道與工藝設備連接,管道上法蘭閥門及附件的連接。采用法蘭連接既有安裝拆卸的靈活性,又有可靠的密封性。
法蘭的標準化,國內目前尚未統一。早的是1958年原化工部頒發的管法蘭標準,是參考蘇聯五十年代標準制訂的;1959年原一機部又頒發過一套管法蘭標準;20世紀六十年代隨著我國石油工業的迅速發展,原石油部在1964年也頒發過一套管法蘭標準。這些法蘭標準有共性、也有各自的特殊性。原一機部和化工部的法蘭標準,平焊法蘭的內徑及對焊法蘭頸部的外徑,大部分是以管子的小外徑為基礎;原石油部法蘭標準則大部分是以管子大外徑為基礎。因此各種標準的法蘭,在一些局部尺寸上不盡相同。
工藝管道所輸送的介質,種類繁多,溫度和壓力也不同,因此對法蘭的強度和密封,提出了不同的要求。為了滿足工藝管道安裝工程的需要,出現了很多種結構和壓力不同的法蘭。以下對各種法蘭作簡要介紹:
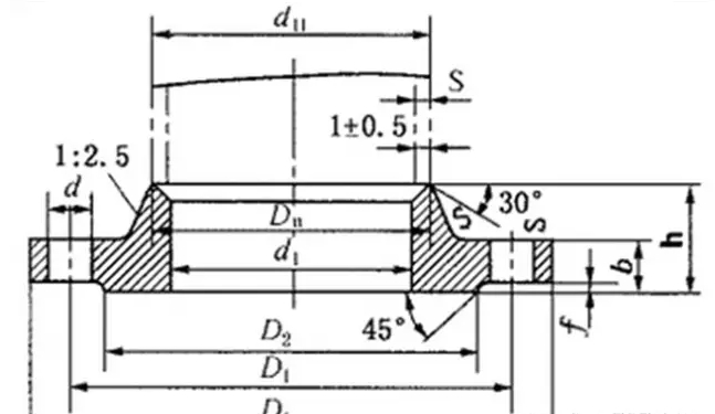
1.平焊法蘭
平焊鋼法蘭,是中低壓工藝管道常用的一種。這種法蘭與管子的固定形式,是將法蘭套在管端,焊接法蘭里口和外口,使法蘭固定,適用公稱壓力不超過2.5MPa。用于碳素鋼管道連接的平焊法蘭,一般用Q235A和20號鋼板制造;用于不銹耐酸鋼管道上的平焊法蘭,應用與管子材質相同的不銹耐酸鋼板制造。平焊鋼法蘭密封面,一般都為光滑式,密封面上加工有淺溝槽。通常稱為水線,如圖。

平焊鋼法蘭圖
平焊鋼法蘭的規格范圍如下:
公稱壓力PN0.25、0.6MPa的為DN10~2000mm;PN1.0~2.5MPa的為DN10~600mm。
2.對焊法蘭
對焊鋼法蘭,也稱高頸法蘭或大尾巴法蘭。它的強度大不易變形、密封性能較好,有多種形式的密封面,適用的壓力范圍很廣。
光滑面對焊法蘭,其公稱壓力為PN2.5MPa以下,規格范圍為DN10~2000mm,公稱壓力PN2.5MPa,規格范圍DN10~1000mm,公稱壓力PN4.0MPa,規格范圍DN10~600mm,如圖。

凹凸密封面對焊法蘭,由于凹凸密封面嚴密性強,承受的壓力大。每付法蘭的密封面,必須一個是凹面、另一個是凸面。常用公稱壓力范圍為PN1.6~4.0MPa,規格范圍為DN10~600mm,如圖。HJ60mm

凹凸密封面對焊鋼法蘭圖
榫槽密封面對焊法蘭,這種法蘭密封性能好,結構形式類似凹凸式密封面法蘭,也是一付法蘭必須兩個配套使用。公稱壓力范圍為PN1.6~4.0MPa,規格范圍為DN10~600mm;PN6.4~10MPa,規格范圍DN10~400mm,如圖。

榫槽面對焊法蘭圖
梯形槽密封面對焊法蘭,這種法蘭在石油工業管道比較常用,承受壓力大,常用公稱壓力為PN6.4、10.0MPa,規格范圍為DN10~400mm;PN16MPa,規格范圍為DN10~300mm。

梯形槽面對焊鋼法蘭圖
上述各種對焊法蘭,只是按其密封面的形式不同而加以區別。從安裝的角度來看,不論是那種形式的對焊法蘭,其連接方法是相同的,因而所耗用的人工,材料和機械臺班,基本上也是一致的。但由于密封面形式不同,法蘭的加工制造成本相差懸殊,因此,在編制概(預)算時要特別注意法蘭本身的價格。
3.松套鋼制管法蘭
這種法蘭與管子不直接焊在一起,而是以管口翻邊或焊環為密封接觸面,松套法蘭起緊固作用,多用于銅、鋁和鉛等有色金屬及不銹耐酸鋼管道上。其大的優點是由于法蘭可以自由活動,法蘭穿螺栓時非常方便。焊環松套鋼制管法蘭適用壓力PN0.6~2.50MPa,其規格范圍為DN10~600mm;壓力PN4.0MPa,規格范圍DN10~300mm,平焊環松套鋼制管法蘭只適用較低壓力,PN0.6~1.6MPa,其規格范圍DN10~600mm。管口翻邊活套法僅適用于PN06MPa及以下。焊環松套法蘭如圖。

焊環松套鋼制管法蘭圖
4.螺紋法蘭
螺紋法蘭,是用帶螺紋的法蘭與管端螺紋相連接的法蘭,有高壓和低壓兩種。
低壓螺紋法蘭,包括鋼制和鑄鐵制造兩種,這種法蘭,在建國初期,焊接技術很差的情況下、曾被廣泛應用。隨著工業的發展、低壓螺紋法蘭已被平焊法蘭所代替,除特殊情況外,基本不采用。
高壓螺紋法蘭,被廣泛應用于現代工業管道的連接。密封由管端與透鏡墊圈形成,對螺紋和管端墊圈接觸面的精密度加工要求很高。這種法蘭的特點是法蘭與管內介質不接觸,安裝也比較方便。適用壓力PN22.0、PN32.0MPa,其規格范圍為DN6~250mm,如圖12-2-7。

高壓管線法蘭連接結構型式圖
5.法蘭蓋
法蘭蓋是與法蘭配套使用的部件,它和封頭一樣在管端起封閉作用。密封面有光滑式和凸凹式,其規格和適用壓力范圍與配套法蘭一致。
(二) 法蘭墊片
泄漏是管法蘭失效的主要形式,它與密封結構型式、被連接件的剛度、密封件的性能、操作和安裝等許多因素有關。墊片是法蘭連接的主要密封件,因而正確選用墊片也是保證法蘭連接不泄漏的關鍵。法蘭墊片根據管道所輸送介質的腐蝕性、溫度、壓力及法蘭密封面的形式選用種類很多。管法蘭墊片有非金屬墊片,半金屬墊片和金屬墊片。
1.橡膠石棉墊
橡膠石棉墊是法蘭連接用量多的墊片、能適用于很多介質,如蒸汽、煤氣、空氣、鹽水、酸和堿等。橡膠石棉墊的厚度,各專業還不統一,通常用3mm厚。公稱直徑小于100mm的法蘭,其墊片厚度不超過2.5mm。
墊片的使用壓力,用于光滑密封面法蘭連接時,不超過2.5MPa。煉油工業常用的橡膠石棉墊有兩種,一種是耐油橡膠石棉墊,適用于溫度在200℃以下,公稱壓力在2.5MPa以下,輸送一般油品、液化烴、丙烷和丙酮等介質。高溫耐油橡膠石棉墊,使用溫度可達350~380℃。另一種是中壓橡膠石棉墊,可使用于200℃,PN2.5MPa以下的蒸汽、凝結水、水、空氣等介質。
2.橡膠墊
橡膠墊,是用橡膠板制作的墊片,它有一定的耐腐蝕性,常用于溫度在60℃以下,壓力不超過1.0MPa,輸送低壓水,酸和堿等介質的管道法蘭連接,這種墊片的特點是利用橡膠的彈性,達到較好的密封效果,因此也常用于鑄鐵法蘭閥門的安裝上。
3.纏繞式墊片
纏繞式墊片簡稱為纏繞墊,是用金屬鋼帶及非金屬填料帶纏繞而成。這種墊片具有制造簡單、價格低廉、材料能被充分利用、密封性能較好的優點,在石油化工工藝管道上被廣泛應用。適用的公稱壓力為4.0MPa以下,適用溫度范圍,08號鋼溫度可達450℃,0Cr13鋼帶制成的纏繞墊,使用溫度可達540℃。這種墊片多數用于光滑面法蘭連接,其密封面不用車水線。有的纏繞墊,還帶有定位環,是為了防止墊片偏離法蘭中心。墊片的厚度一般為4.5mm,直徑大于1000mm時,墊片厚度為6~7mm。定位環的厚度為3mm左右。金屬鋼帶材質有08號鋼、0Cr13鋼和1Cr18Ni9Ti鋼等;非金屬帶材質有特性石棉、柔性石墨、聚四氟乙烯等。
4.齒形墊
齒形墊是用各種金屬制造,材質有普通碳素鋼、低合金鋼和不銹耐酸鋼等,其厚度為3~5mm。它是利用同心圓的齒形密紋與法蘭密封面相接觸、構成多道密封,因此密封性能較好,常用于凹凸式密封面法蘭的連接。高公稱壓力可達16.0MPa,適用于工作溫度較高的部位,如0Cr13材質的齒形墊,其適用溫度可達530℃。
5.金屬墊圈
金屬墊圈的種類很多,按形狀劃分有金屬平墊圈,截面積為橢圓形、八角形金屬墊圈和透鏡式墊圈。按制造材質分有低碳鋼、不銹耐酸鋼、紫銅、鋁和鉛等。
金屬平墊圈,多用于光滑面平焊法蘭,承受的溫度和壓力較低。
橢圓形及八角形金屬墊圈,多用于梯形槽對焊法蘭,公稱壓力范圍為6.4~22.0MPa。這種墊圈雖然密封性好,但制造復雜,要求精度高。
透鏡墊,因其截面形狀似透鏡而得名,密封性能好、在石油化工生產中,各種高溫高壓管道的法蘭連接,廣泛使用此種墊圈,常用公稱壓力范圍為16.0~32.0MPa。
金屬墊圈的使用有條原則,即墊圈表面的硬度必須低于法蘭密封面的硬度。
墊片的選用應根據管道所輸送介質的溫度、壓力、腐蝕性和連接法蘭的密封形式來確定。專業性較強的墊片,如透鏡墊,適用于高壓法蘭連接。
(三) 法蘭用螺栓
用于連接法蘭的螺栓,有單頭螺栓和雙頭螺栓兩種,其螺紋一般都是三角形公制粗螺紋。
1.單頭螺栓
單頭螺栓也稱六角頭螺栓,如圖12-2-8所示。單頭螺栓又分為半精制和精制兩種,在中低壓工藝管道上,使用多的是半精制單頭螺栓。
制造單頭螺栓常用的材質有Q235A、35號鋼和25Cr2MoVA等。常用于公稱壓力為2.5MPa以下的法蘭連接。適用溫度根據螺栓材質而定,如35號鋼制造的螺栓適用溫度可達350℃;25Cr2MoVA鋼制造的螺栓、適用溫度可達570℃。

單頭螺栓圖圖
2.雙頭螺栓

工藝管道上所用的雙頭螺栓,多數采用等長雙頭精制螺栓,如圖12-2-9所示。適用于溫度和壓力較高的法蘭連接。材質有35號鋼、30CrMoA、35CrMoA、25Cr2MoVA、0Cr19Ni9、0Cr15Ni25Ti2MoAlVB和37SiMn2MoVA等,公稱壓力范圍為1.6~32.0MPa,適用溫度可達700℃。
3.螺母
螺母,統稱為六角螺母。分半精制和精制兩種。按螺母結構形式還可分為A型和B型兩種,如圖12-2-10所示。
半精制單頭螺栓多采用A型螺母;精制雙頭螺栓多采用B型螺母。螺母與螺栓要配套使用,但螺母制造材質的硬度不能超過螺栓材質的硬度。

上海川滬閥門專業生產電動調節閥、氣動調節閥、電動單座調節閥、氣動單座調節閥、電動套筒調節閥、氣動套筒調節閥等調節閥產品,廣泛適用于化工、環保、水處理、電力、煤礦等行業,請咨詢上海川滬閥門有限公司銷售部
上海川滬閥門有限公司是一家專業生產電動調節閥、氣動調節閥、電動球閥、氣動球閥、電動蝶閥、氣動蝶閥的廠家。歡迎來電咨詢:021-5186 3046
